Quantité
Total
Dont d' éco-part. DEEE
Il y a 0 produits dans votre panier. Il y a 1 produit dans votre panier.
Total produits
Frais de port  À définir
Total
Continuer mes achats Commander
Vos produits 0 produit

Total

Sous-total de la commande
0
00
Livraison
0
00
Total
0
00
Dont d' éco-part. DEEE

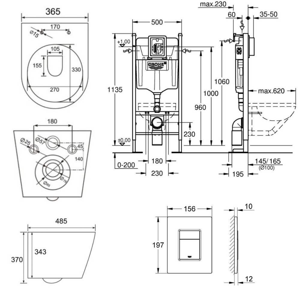
Grohe Pack WC Bâti autoportant + WC Swiss Aqua Technologies Infinitio noir mat sans bride + Plaque noir mat

  • Référence du produit: PROJECTBLACKINFINITIO-KF0-FS
  • EAN: 8592127202792
  • Marque: Manufacturer 6
Garantie du produit: 5 ans
1 039
90
TTC
Expédié habituellement sous 28 jours
Eligible au Point Relais
Quantité:

Caractéristiques du Pack WC Bâti-support Rapid SL + WC Infinitio sans bride noir mat + Abattant softclose + Plaque noire (ProjectBlackInfinitio-KF0) :

  • Grohe RAPID SL Project bâti support autoportant pour WC, 1.13 M (39145000)
  • Swiss Aqua Technologies WC suspendu Infinitio noir mat sans bride et fixations invisibles + abattant frein de chute (BlackInfinitio)
  • Grohe Even Plaque de commande double touche, Technologie anti-empreintes, Noir mat (38966KF0) 

.

Grohe RAPID SL Project bâti support autoportant pour WC, 1.13 M (39145000) :

  • Réservoir et mécanisme pneumatique Certifié NF
  • Réservoir GD 2, 6-9 L
  • Comprend les supports muraux 3855800M pour une installation murale
  • Pour le montage des petites plaques de commande, commandez séparément le gabarit 40 911 000
  • Assemblage facile en connectant le capillaire pneumatique à la plaque de commande
  • Réglage en hauteur rapide avec prédétermination automatique de la hauteur de montage souhaitée
  • Fixation murale avec réglage rapide en profondeur; ajustement de profondeur par l'avant
  • Support mural orientable sur 360 degrés pour éviter les joints
  • Pieds avec points de fixation polyvalents et pratiques, pour montage sur rail, sur profil en U de 50 ou 75 mm
  • Points de fixation pour accessoires ; montage des éléments sans ancrage au sol
  • Points de fixation pour montage des éléments dans des supports muraux en bois
  • Coude DN 80 avec réduction DN 80/100
  • Fixation du coude de vidage sans outil
  • Collier de vidage avec réglage de la profondeur à 2 niveaux

.
Swiss Aqua Technologies WC suspendu Infinitio noir mat sans bride et fixations invisibles + abattant frein de chute (BlackInfinitio) :

  • Marque : Swiss Aqua Technologies
  • Matériau : Céramique
  • Finition : noir mat
  • WC compact adapté aux petits espaces
  • Cuvette au style simple et épuré
  • Cuvette sans bride
  • Fixations cachées
  • Profondeur de 48 cm
  • Rinçage 3 / 6 L
  • Abattant avec frein de chute
  • Abattant déclipsable
  • Facile d'entretien grâce au système sans bride et l'abattant amovible
  • Installation rapide

.
Grohe Even Plaque de commande double touche, Technologie anti-empreintes, Noir mat (38966KF0) :

  • Pour rinçage en 2 étapes, fonction marche / arrêt
  • Pour vanne de vidange pneumatique AV1
  • Montage horizontal et vertical
  • Dimensions : 156 x 197 mm
  • En ABS
  • Surface GROHE StarLight
  • Technologie GROHE EcoJoy pour une faible consommation d'eau et un débit parfait
  • Avec une surface sur laquelle il ne reste aucune empreinte
.

Attention ! Il est impératif de vérifier les produits à réception. Une éventuelle avarie doit être constatée devant le livreur et indiquée précisément pour chaque produit sur le bon de livraison. Aucune réclamation ne pourra être acceptée a posteriori, les transporteurs étant très stricts à ce sujet. Nous vous remercions pour votre compréhension.

Caractéristiques techniques du produit
Ecrire un commentaire
Avis *
Les champs marqués d'un astérisque (*) sont obligatoires.
1 039
90
TTC
Expédié habituellement sous 28 jours
Eligible au Point Relais
Quantité:
Paiement sécurisé
Avis clients
François B.
15/04/2025

Envoi en temps et heure correct

Manuel N.
14/04/2025

Bon article livraison rapide

Philippe G.
17/03/2025

Impeccable, deux achats réalisés avec contact service client et résolution rapide de petits problèmes.

Philippe H.
04/02/2025

Fournisseur fiable et délai court Le SAV est réactif et compétent je recommande sans hésiter

4.5/5