Quantité
Total
Dont d' éco-part. DEEE
Il y a 0 produits dans votre panier. Il y a 1 produit dans votre panier.
Total produits
Frais de port  À définir
Total
Continuer mes achats Commander
Vos produits 0 produit

Total

Sous-total de la commande
0
00
Livraison
0
00
Total
0
00
Dont d' éco-part. DEEE

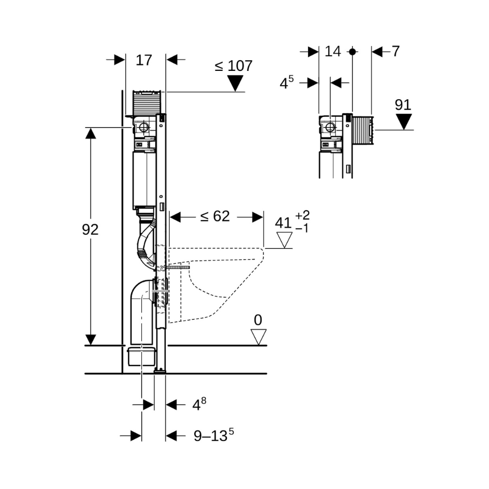
Geberit Duofix Élément pour WC suspendus, H : 98 cm, avec réservoir de chasse encastré Omega (111.030.00.1)

  • Référence du produit: 111.030.00.1
  • EAN: 4025416301202
  • Marque: Manufacturer 5
  • Série: Duofix
Garantie du produit: 2 ans
349
90
TTC
419
64
Prix public conseillé
Le prix public conseillé (PPC) est un prix de revente conseillé par un fabricant à ses distributeurs.
Lorsqu’il s’agit d’un pack multi-marques, c’est alors la somme des PPC de ses composants.
( 16.62% d'économie)
Expédié habituellement sous 30 jours
Dont 0.05 d' éco-part. DEEE
Quantité:

Caractéristiques du Duofix Élément pour WC suspendus, H : 98 cm, avec réservoir de chasse encastré Omega (111.030.00.1) :

Préconisations de mise en oeuvre : 

Ces bâti-supports pour WC suspendus sont dédiés aux types d'installation suivants :

  • Contre un mur porteur (voile béton, carreaux de plâtre, béton cellulaire, briques, parpaings) et sur une dalle béton en utilisant les fixations fournies.
  • Dans une cloison à ossature métallique constituée de rails renforcés (KNAUF, PLACO, …) à hauteur de la pièce ou avec des rails et montants Geberit système Duofix à hauteur partielle ou de la pièce (selon préconisations fabricant).

Ces bâti-supports pour WC suspendus ne peuvent être installés contre des cloisons en plaques de plâtre à âme alvéolaire en carton, contre des cloisons en plaques de plâtre sur ossature métallique ou contre des cloisons de séparation double peau en plaques de plâtre sur ossature métallique sans accessoirisation additionnelle (substitution des pieds fournis par des pieds autoportants) ou l'ajout de renforts complémentaires (à intégrer au préalable dans la cloison au niveau des fixations hautes).

Ces bâti-supports pour WC montés suspendus peuvent être installés sur des planchers en bois s'ils sont posés contre un mur porteur (voir description précédente) et leurs pieds sur une solive ou lambourde à l'aide des tirefonds fournis.

 

Propriétés :

  • Cadre avec trous percés Ø 9mm pour montage dans une structure en bois
  • Cadre préparé pour des supports de WC en céramique avec une petite surface de contact
  • Supports de pieds galvanisés, réglables 0-20 cm
  • Supports de pieds antidérapants
  • Plaques de base rotatives, de profondeur appropriée pour un montage dans les rails du système Geberit Duofix et les profilés en U UW 75
  • Raccord coudé dans différentes positions de profondeur montable sans outils, plage de réglage : 45 mm
  • Fixation coude de raccordement insonorisé
  • Omega réservoir de chasse encastré avec déclenchement par le dessus ou l'avant, isolé de la condensation
  • Les réglages d'usine permettent un rinçage immédiat
  • Travaux de montage et d'entretien sur réservoir de chasse encastré possibles sans outils
  • Raccord d'eau universel R 1/2" sur le côté gauche ou en bas à gauche avec valve d'angle intégrée et manivelle (compatible MeplaFix)
  • La protection de montage pour l'ouverture de service protège contre l'humidité et la saleté
  • Protection de montage pour ouverture de service pouvant être raccourcie
  • Equipé d'un tuyau vide pour l'alimentation en eau pour le raccord des toilettes à bidet Geberit AquaClean
  • 25 Années de fourniture des pièces de rechange

Attention : Jeu de fixations murales DUOFIX non inclus (référence 111.815.00.1)

Voir la description détaillée
Caractéristiques techniques du produit
  • Matière:Métal/plastique
  • Longueur:13.5
  • Largeur:50
  • Hauteur:98
  • Profondeur:13.50 cm
  • Poids (kg):12.69
  • Type de bâti:CLASSIQUE
  • Marque bâti:Geberit
  • Nombre de composants:1



27/02/2020

parfait, délais respecté, article de très bonne qualité bien emballé et en parfait état Je recommande (commentaire Avis Vérifiés)

Ecrire un commentaire
Avis *
Les champs marqués d'un astérisque (*) sont obligatoires.
Documentations sur le produit
349
90
TTC
419
64
Prix public conseillé
Le prix public conseillé (PPC) est un prix de revente conseillé par un fabricant à ses distributeurs.
Lorsqu’il s’agit d’un pack multi-marques, c’est alors la somme des PPC de ses composants.

(16.62% d'économie)
Dont 0.05 d' éco-part. DEEE
Expédié habituellement sous 30 jours
Quantité:
avis verifies
5 / 5
(1 avis)
Paiement sécurisé
Questions les plus fréquentes sur ce produit

Quelles sont les plaques de commandes compatibles avec le bâti support Geberit Duofix Omega 111.030.00.1 ?

Ce bâti support est compatible avec les plaques de commande Geberit des séries Omega (Omega20, Omega30, Omega60).

Avis clients
François B.
15/04/2025

Envoi en temps et heure correct

Manuel N.
14/04/2025

Bon article livraison rapide

Philippe G.
17/03/2025

Impeccable, deux achats réalisés avec contact service client et résolution rapide de petits problèmes.

Philippe H.
04/02/2025

Fournisseur fiable et délai court Le SAV est réactif et compétent je recommande sans hésiter

4.5/5