Quantité
Total
Dont d' éco-part. DEEE
Il y a 0 produits dans votre panier. Il y a 1 produit dans votre panier.
Total produits
Frais de port  À définir
Total
Continuer mes achats Commander
Vos produits 0 produit

Total

Sous-total de la commande
0
00
Livraison
0
00
Total
0
00
Dont d' éco-part. DEEE

Promotion

Pack Bati-support Geberit 112cm + Cuvette Swiss Aqua Technologies sans bride + Plaque blanche (SATrimlessGeb3)

  • Référence du produit: SATRIMLESSGEB3
  • EAN: 0034966358103
  • Marque: Manufacturer 5 59
  • Série: Duofix
Garantie du produit: 2 ans
399
90
TTC
560
54
Prix public conseillé
Le prix public conseillé (PPC) est un prix de revente conseillé par un fabricant à ses distributeurs.
Lorsqu’il s’agit d’un pack multi-marques, c’est alors la somme des PPC de ses composants.
( 28.66% d'économie)
1584 En stock
Expédié demain
Dont 0.30 d' éco-part. DEEE
Quantité:

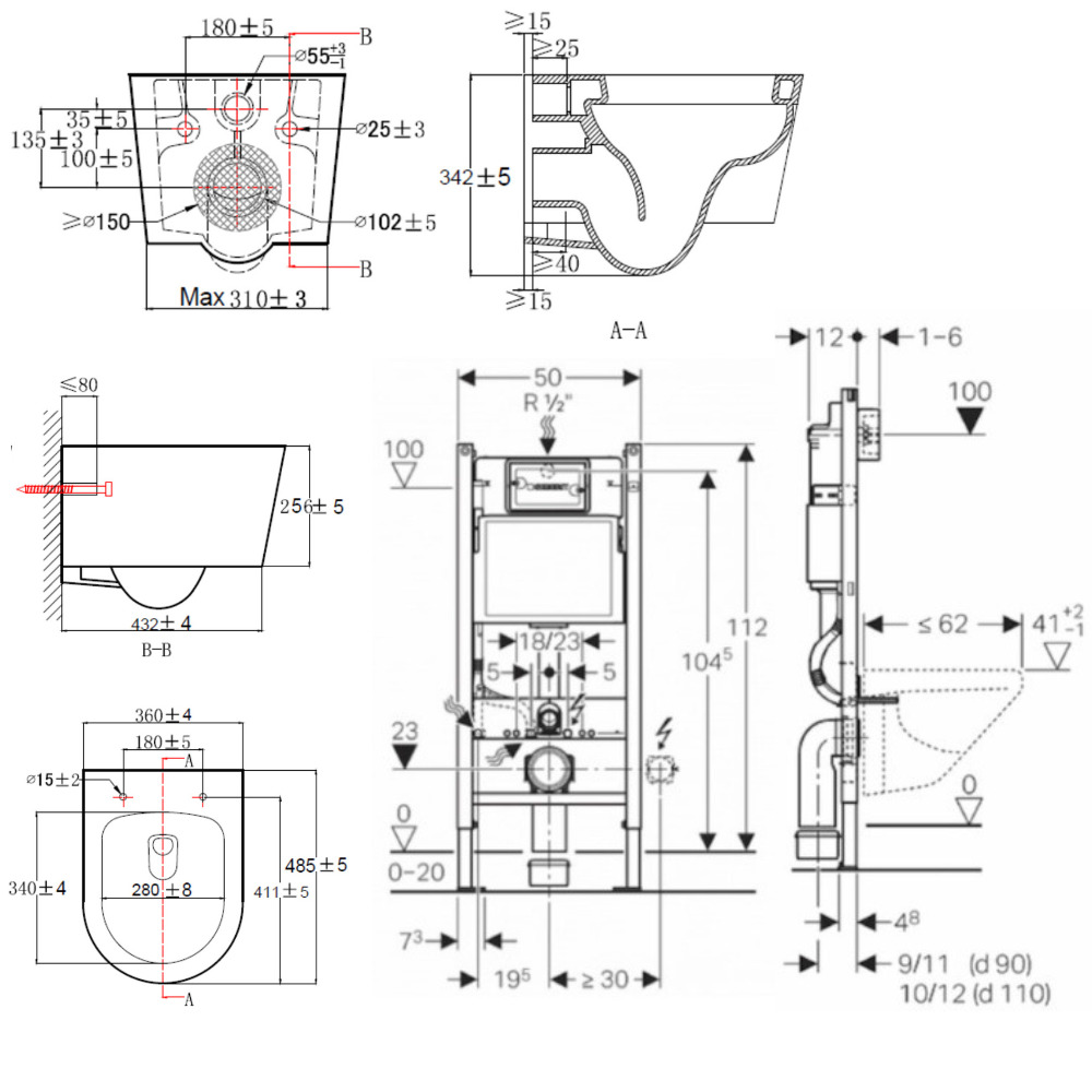
Caractéristiques du Pack Bâti-support 112cm + Cuvette Swiss Aqua Technologies sans bride + Plaque blanche (SATrimlessGeb3) :

  • Cuvette suspendue sans bride et fixations invisibles + abattant frein de chute (SATBRE010RREXP)
  • Geberit DUOFIXBasic pour toilettes suspendues, avec réservoir Delta (111.153.00.1)
  • Kit de fixations murales Geberit Duofix pour auto-assemblage (111.839.00.1)
  • Geberit Plaque de déclenchement DELTA01 blanche (115.107.11.1)
  • Valsir Manchon de raccordement 90/100 (VS0564190)

Geberit DUOFIXBasic pour toilettes suspendues, avec réservoir Delta (111.153.00.1) : 

Préconisations de mise en oeuvre : 

Ces bâti-supports pour WC suspendus sont dédiés aux types d'installation suivants :

  • Contre un mur porteur (voile béton, carreaux de plâtre, béton cellulaire, briques, parpaings) et sur une dalle béton en utilisant les fixations fournies.
  • Dans une cloison à ossature métallique constituée de rails renforcés (KNAUF, PLACO, …) à hauteur de la pièce ou avec des rails et montants Geberit système Duofix à hauteur partielle ou de la pièce (selon préconisations fabricant).

Ces bâti-supports pour WC suspendus ne peuvent être installés contre des cloisons en plaques de plâtre à âme alvéolaire en carton, contre des cloisons en plaques de plâtre sur ossature métallique ou contre des cloisons de séparation double peau en plaques de plâtre sur ossature métallique sans accessoirisation additionnelle (substitution des pieds fournis par des pieds autoportants) ou l'ajout de renforts complémentaires (à intégrer au préalable dans la cloison au niveau des fixations hautes).

Ces bâti-supports pour WC montés suspendus peuvent être installés sur des planchers en bois s'ils sont posés contre un mur porteur (voir description précédente) et leurs pieds sur une solive ou lambourde à l'aide des tirefonds fournis.

Caractéristiques principales :

  • Citerne encastrée Geberit Delta UP100 (12 cm), activation frontale
  • Anticondensation, profondeur d'installation : 12 cm
  • Réglage possible du grand débit de chasse (4,5 / 6 / 7,5 L)
  • Petit débit fixe, possibilité de rinçage immédiat
  • Alimentation en eau arrière/centrale supérieure
  • Raccordement manuel possible à la vanne d’angle
  • Compatibilité :
    • 1 touche : Delta15
    • 2 touches : Delta20
  • Cadre autoportant, revêtement bleu, avec trous ø 9 mm (fixation bois)
  • Pieds réglables de 0 à 20 cm, plaques de base adaptées au montage UW50

Informations techniques :

  • Réglage usine : 6 / 3,5 L (grand/petit rinçage)

Contenu du colis :

  • 2 tiges filetées M12 (fixation céramique)
  • Vanne de chasse double débit
  • Couvercle de protection pour montage brut
  • 2 bouchons de protection
  • Robinet d’angle R 1/2" avec adaptateur
  • Tuyau d’alimentation AquaClean
  • Kit de raccordement ø 90 mm + coude ø 90 mm + adaptateur ø 90/110 mm
  • Matériel de fixation

Non inclus : kit de montage mural

WC suspendu Swiss Aqua Technologies sans bride + abattant softclose (SATBRE010RREXP) :

  • Marque : Swiss Aqua Technologies
  • Matériau : Céramique
  • WC compact adapté aux petits espaces
  • Cuvette au style simple et épuré
  • Cuvette sans bride
  • Fixations cachées
  • Profondeur de 48 cm
  • Rinçage économique 3 / 4,5 L
  • Abattant avec frein de chute
  • Abattant déclipsable
  • Facile d'entretien grâce au système sans bride et l'abattant amovible
  • Installation rapide

Geberit Plaque de déclenchement DELTA01 (115.107.11.1) : 

  • Delta dispose de 2 touches, l'une pour une petite chasse de 3L et l'autre pour une grande chasse de 6L
  • Economies en eau
  • Déclenchement frontal

Attention ! Il est impératif de vérifier les produits à réception. Une éventuelle avarie doit être constatée devant le livreur et indiquée précisément pour chaque produit sur le bon de livraison. Aucune réclamation ne pourra être acceptée a posteriori, les transporteurs étant très stricts à ce sujet. Nous vous remercions pour votre compréhension.

Caractéristiques techniques du produit
  • Coloris:Blanc
  • Matière:Céramique
  • Type de produit:Pack WC
  • Longueur:48
  • Largeur:36.5
  • Hauteur:34.2
  • Poids (kg):35
  • Abattant:SOFT CLOSE
  • Cuvette:SANS BRIDE
  • Couleur Plaque:BLANC
  • Type de bâti:CLASSIQUE
  • Marque cuvette:Swiss Aqua Technologies
  • Marque bâti:Geberit
  • Coloris cuvette:Blanc
  • Fixation invisible:oui
  • Nombre de composants:1
  • Options (WC) (VU):Abattant silencieux
  • Matière (précision) (VU):Céramique - Céramique
  • Abattant déclipsable:Oui
08/04/2021

Un super produit facile d'installation je recommande +++++ (commentaire VP Sanitaire)

05/04/2021

Rien à dire...Excellent. (commentaire VP Sanitaire)

Ecrire un commentaire
Avis *
Les champs marqués d'un astérisque (*) sont obligatoires.
399
90
TTC
560
54
Prix public conseillé
Le prix public conseillé (PPC) est un prix de revente conseillé par un fabricant à ses distributeurs.
Lorsqu’il s’agit d’un pack multi-marques, c’est alors la somme des PPC de ses composants.

(28.66% d'économie)
Dont 0.30 d' éco-part. DEEE
1584 En stock
Expédié demain
Quantité:
avis verifies
5 / 5
(2 avis)
Paiement sécurisé

Pourquoi choisir le pack bâti Geberit Duofix + plaque blanche Delta20 + cuvette suspendue sans bride et fixations invisibles (SATrimlessGeb3) ?

Le pack bâti support Geberit SATrimlessGeb3 comprend tous les équipements nécessaire à l'installation du WC suspendu. On distingue la cuvette, le réservoir, le kit de fixations et la plaque de déclenchement. La cuvette suspendue sans bride (SATrimless) est faite en céramique. Le design moderne et classique du pack bâti support Geberit SATrimlessGeb3 s'adapte à tous les styles de salle de bain ou sanitaire.

La taille de cette cuvette suspendue sans bride (SATrimless) est idéale pour les petits espaces. La profondeur du bâti support Geberit Duofix (111.153.00.1) est de 48 cm. Du côté rinçage, la quantité est comprise entre 3.5 et 6l et le débit est réglable. La plaque de déclenchement deux touches permet de déclencher respectivement 3l et 6l d’eau, pour la petite et la grande chasse. Cette plaque de déclenchement DELTA20 blanche (115.100.11.1) permet de réaliser des économies en eau.

Le pack bâti support Geberit SATrimlessGeb3 contient également un abattant avec frein de chute. La cuvette sans bride avec abattant frein de chute (SATrimless) est donc hygiénique vu que l’abattant est amovible. Il n’y a donc pas de place où les bactéries pourront s’incruster.

Questions les plus fréquentes sur ce produit

Pourquoi faut-il commander un manchon de raccordement 90/100 avec le pack bâti support Geberit SATrimlessGeb3 ?

Le manchon de raccordement 90/100 a pour but de raccorder les bâti supports de standards européens (diamètre 90 mm) aux installations françaises (diamètre 100 mm). Le manchon de raccordement garanti l'étanchéité de l'installation sur le long terme. Vous pouvez le trouver sur Livea sous la référence VS0564190.

Le manchon de raccordement est-il fourni avec le pack bâti support Geberit SATrimlessGeb3 ?

Non, le manchon de réduction 90/100 n'est pas fourni, à commander sous la référence VS0564190.

Ces articles pourraient aussi vous intéresser
Avis clients
François B.
15/04/2025

Envoi en temps et heure correct

Manuel N.
14/04/2025

Bon article livraison rapide

Philippe G.
17/03/2025

Impeccable, deux achats réalisés avec contact service client et résolution rapide de petits problèmes.

Philippe H.
04/02/2025

Fournisseur fiable et délai court Le SAV est réactif et compétent je recommande sans hésiter

4.5/5