Quantité
Total
Dont d' éco-part. DEEE
Il y a 0 produits dans votre panier. Il y a 1 produit dans votre panier.
Total produits
Frais de port  À définir
Total
Continuer mes achats Commander
Vos produits 0 produit

Total

Sous-total de la commande
0
00
Livraison
0
00
Total
0
00
Dont d' éco-part. DEEE
COMMANDER

Pack WC Bati-support Geberit Duofix + WC sans bride Lucco Avva + Abattant softclose + Plaque blanche (AvvaGeb3)

  • Référence du produit: AVVAGEB3
  • EAN: 750122368112
  • Marque: Manufacturer 5 109
Garantie du produit: 2 ans
439
90
TTC
602
18
Prix public conseillé
Le prix public conseillé (PPC) est un prix de revente conseillé par un fabricant à ses distributeurs.
Lorsqu’il s’agit d’un pack multi-marques, c’est alors la somme des PPC de ses composants.
( 26.95% d'économie)
Livraison à domicile 25 - 28 avril
Quantité:

Caractéristiques du Pack WC Bâti-support Duofix + WC Lucco Avva sans bride + Abattant softclose + Plaque blanche (AvvaGeb3) : 

  • Geberit Delta Pack bâti-support Duofix 112cm + plaque de commande blanche Delta01 + fixations murales (111.154.11.3)
  • Lucco Avva Cuvette suspendue sans bride avec abattant frein de chute, Blanc (Avvarimless)
  • Valsir Manchon de raccordement Ø 90/100 MM pour Rapid SL ou Geberit (VS0564190)

.

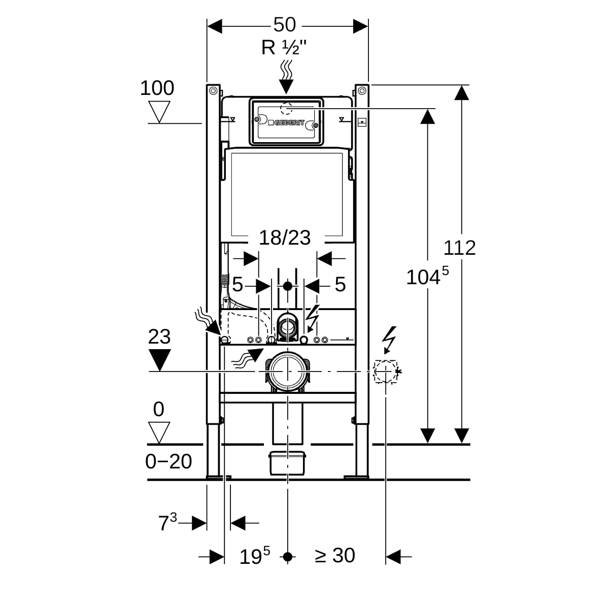
Geberit DUOFIXBasic pour toilettes suspendues, avec réservoir Delta (111.153.00.1) : 

Préconisations de mise en oeuvre : 

Ces bâti-supports pour WC suspendus sont dédiés aux types d'installation suivants :

  • Contre un mur porteur (voile béton, carreaux de plâtre, béton cellulaire, briques, parpaings) et sur une dalle béton en utilisant les fixations fournies.
  • Dans une cloison à ossature métallique constituée de rails renforcés (KNAUF, PLACO, …) à hauteur de la pièce ou avec des rails et montants Geberit système Duofix à hauteur partielle ou de la pièce (selon préconisations fabricant).

Ces bâti-supports pour WC suspendus ne peuvent être installés contre des cloisons en plaques de plâtre à âme alvéolaire en carton, contre des cloisons en plaques de plâtre sur ossature métallique ou contre des cloisons de séparation double peau en plaques de plâtre sur ossature métallique sans accessoirisation additionnelle (substitution des pieds fournis par des pieds autoportants) ou l'ajout de renforts complémentaires (à intégrer au préalable dans la cloison au niveau des fixations hautes).

Ces bâti-supports pour WC montés suspendus peuvent être installés sur des planchers en bois s'ils sont posés contre un mur porteur (voir description précédente) et leurs pieds sur une solive ou lambourde à l'aide des tirefonds fournis.

Caractéristiques principales :

  • Citerne encastrée Geberit Delta UP100 (12 cm), activation frontale
  • Anticondensation, profondeur d'installation : 12 cm
  • Réglage possible du grand débit de chasse (4,5 / 6 / 7,5 L)
  • Petit débit fixe, possibilité de rinçage immédiat
  • Alimentation en eau arrière/centrale supérieure
  • Raccordement manuel possible à la vanne d’angle
  • Compatibilité :
    • 1 touche : Delta15
    • 2 touches : Delta20
  • Cadre autoportant, revêtement bleu, avec trous ø 9 mm (fixation bois)
  • Pieds réglables de 0 à 20 cm, plaques de base adaptées au montage UW50

Informations techniques :

  • Réglage usine : 6 / 3,5 L (grand/petit rinçage)

Contenu du colis :

  • 2 tiges filetées M12 (fixation céramique)
  • Vanne de chasse double débit
  • Couvercle de protection pour montage brut
  • 2 bouchons de protection
  • Robinet d’angle R 1/2" avec adaptateur
  • Tuyau d’alimentation AquaClean
  • Kit de raccordement ø 90 mm + coude ø 90 mm + adaptateur ø 90/110 mm
  • Matériel de fixation

Non inclus : kit de montage mural

.

Lucco Avva Cuvette suspendue sans bride avec abattant frein de chute, Blanc (Avvarimless) :

Lucco Avva Cuvette suspendue sans bride, Blanc (100314) : 

  • Matériau : Céramique
  • Cuvette Design
  • Sans bride
  • Fixations invisibles
  • Facile d'entretien
  • Installation rapide
  • 53x36cm

.

LIVEA Slim Elegance Abattant softclose en Duroplast, Blanc (0411) :

  • Coloris : Blanc 
  • Slim 
  • Softclose 
  • Quick Release : Permet de retirer et d'installer rapidement l'abattant

.

Geberit Plaque de déclenchement DELTA01 (115.107.11.1) : 

  • Delta dispose de 2 touches, l'une pour une petite chasse de 3L et l'autre pour une grande chasse de 6L
  • Economies en eau
  • Déclenchement frontal

.

Attention ! Il est impératif de vérifier les produits à réception. Une éventuelle avarie doit être constatée devant le livreur et indiquée précisément pour chaque produit sur le bon de livraison. Aucune réclamation ne pourra être acceptée a posteriori, les transporteurs étant très stricts à ce sujet. Nous vous remercions pour votre compréhension.

Caractéristiques techniques du produit
  • Marque : Geberit
  • Avec abattant: SOFT CLOSE
  • Cuvette: SANS BRIDE
  • Couleur Plaque: BLANC
  • Type de bâti: Mur
  • Marque cuvette: Lucco
  • Marque bâti: Geberit
  • Coloris cuvette: Blanc
  • Avec fixation invisible: Oui
  • PMCB unique identifier idu: FR043823_04FWQW
Ecrire un commentaire
Avis *
Les champs marqués d'un astérisque (*) sont obligatoires.
439
90
TTC
602
18
Prix public conseillé
Le prix public conseillé (PPC) est un prix de revente conseillé par un fabricant à ses distributeurs.
Lorsqu’il s’agit d’un pack multi-marques, c’est alors la somme des PPC de ses composants.

(26.95% d'économie)
Dont 0.30 d' éco-part. DEEE
Livraison à domicile 25 - 28 avril
Quantité:
Paiement sécurisé
Avis clients
Aurélie N.
04/03/2026

Je suis ravie de ma commande sur le site de Livea. Les produits et promotions sont intéressants, le site est simple d'utilisation et le service client réactif et efficace. J'ai commandé un wc et une paroi de douche. Tout est arrivé en très bon état. Je ne

Mederic B.
24/02/2026

La commande correspond totalement à nos attente et le service client a répondu très rapidement à notre demande pour un renseignement.

Cédric M.
02/03/2026

Super et envoie assez rapide

Jacques F.
25/02/2026

Tout était conforme à mes attentes. Produit, livraison, prix

4.5/5