Quantité
Total
Dont d' éco-part. DEEE
Il y a 0 produits dans votre panier. Il y a 1 produit dans votre panier.
Total produits
Frais de port  À définir
Total
Continuer mes achats Commander
Vos produits 0 produit

Total

Sous-total de la commande
0
00
Livraison
0
00
Total
0
00
Dont d' éco-part. DEEE

Ce produit n’est plus disponible sur Livea

Ce produit n’est plus disponible sur Livea

Pack WC Bati-support Geberit Autoportant Duofix + WC sans bride Villeroy & Boch + Abattant softclose + Plaque blanche

  • Référence du produit: ARCHIRIMGEBX
  • EAN: 0734077007364
  • Marque: Manufacturer 5
  • Série: Duofix
Garantie du produit: 2 ans
Non disponible
Suggestions de produits équivalents
Caractéristiques techniques du produit
  • Abattant:SOFT CLOSE
  • Cuvette:SANS BRIDE
  • Couleur Plaque:BLANC
  • Type de bâti:AUTOPORTANT
  • Marque cuvette:Villeroy & Boch
  • Marque bâti:Geberit
  • Coloris cuvette:Blanc
  • Fixation invisible:non

Caractéristiques du Pack WC Bâti-support Autoportant Duofix + WC sans bride Villeroy & Boch + Abattant softclose + Jeu de pieds autoportants pour bâti-support Geberit Duofix + Plaque blanche : 

  • Geberit Delta Pack bâti-support Duofix 112cm + plaque de commande blanche Delta01 + fixations murales (111.154.11.2)
  • Geberit Jeu de pieds autoportants, pour bâti-support Geberit Duofix (111.849.00.2)
  • Redi Manchon de raccordement Ø 90/100 MM pour Rapid SL ou Geberit (VS0564190)
  • Villeroy & Boch Architectura Cuvette à fond creux DirectFlush (5684FR01)

.

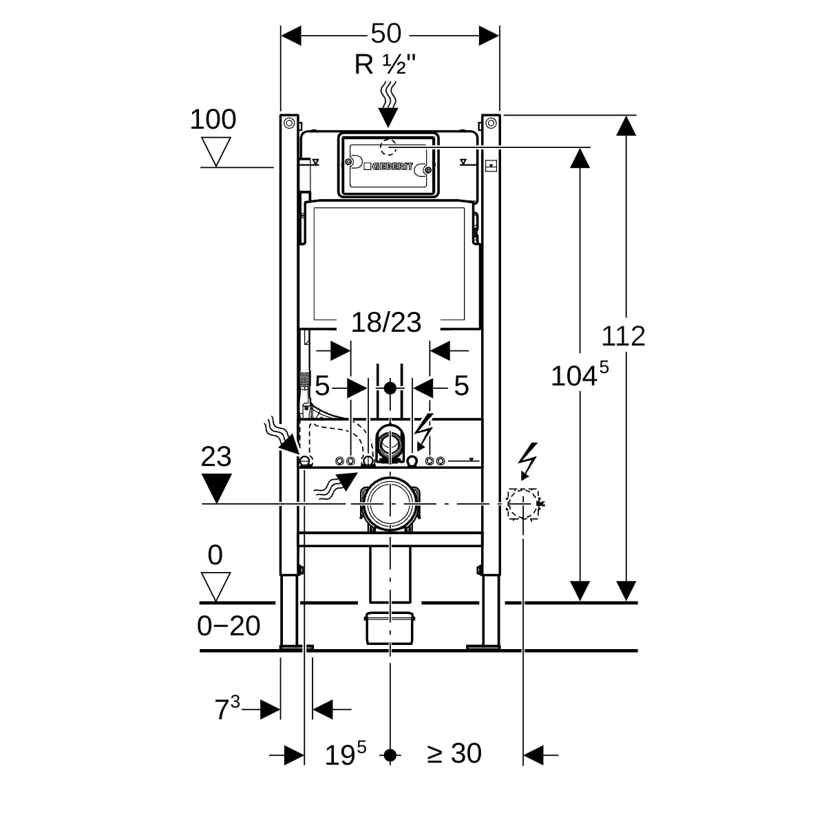
Geberit DUOFIXBasic pour toilettes suspendues, avec réservoir Delta (111.153.00.1) : 

Préconisations de mise en oeuvre : 

Ces bâti-supports pour WC suspendus sont dédiés aux types d'installation suivants :

  • Contre un mur porteur (voile béton, carreaux de plâtre, béton cellulaire, briques, parpaings) et sur une dalle béton en utilisant les fixations fournies.
  • Dans une cloison à ossature métallique constituée de rails renforcés (KNAUF, PLACO, …) à hauteur de la pièce ou avec des rails et montants Geberit système Duofix à hauteur partielle ou de la pièce (selon préconisations fabricant).

Ces bâti-supports pour WC suspendus ne peuvent être installés contre des cloisons en plaques de plâtre à âme alvéolaire en carton, contre des cloisons en plaques de plâtre sur ossature métallique ou contre des cloisons de séparation double peau en plaques de plâtre sur ossature métallique sans accessoirisation additionnelle (substitution des pieds fournis par des pieds autoportants) ou l'ajout de renforts complémentaires (à intégrer au préalable dans la cloison au niveau des fixations hautes).

Ces bâti-supports pour WC montés suspendus peuvent être installés sur des planchers en bois s'ils sont posés contre un mur porteur (voir description précédente) et leurs pieds sur une solive ou lambourde à l'aide des tirefonds fournis.

Caractéristiques principales :

  • Citerne encastrée Geberit Delta UP100 (12 cm), activation frontale
  • Anticondensation, profondeur d'installation : 12 cm
  • Réglage possible du grand débit de chasse (4,5 / 6 / 7,5 L)
  • Petit débit fixe, possibilité de rinçage immédiat
  • Alimentation en eau arrière/centrale supérieure
  • Raccordement manuel possible à la vanne d’angle
  • Compatibilité :
    • 1 touche : Delta15
    • 2 touches : Delta20
  • Cadre autoportant, revêtement bleu, avec trous ø 9 mm (fixation bois)
  • Pieds réglables de 0 à 20 cm, plaques de base adaptées au montage UW50

Informations techniques :

  • Réglage usine : 6 / 3,5 L (grand/petit rinçage)

Contenu du colis :

  • 2 tiges filetées M12 (fixation céramique)
  • Vanne de chasse double débit
  • Couvercle de protection pour montage brut
  • 2 bouchons de protection
  • Robinet d’angle R 1/2" avec adaptateur
  • Tuyau d’alimentation AquaClean
  • Kit de raccordement ø 90 mm + coude ø 90 mm + adaptateur ø 90/110 mm
  • Matériel de fixation

Non inclus : kit de montage mural

.

Geberit Jeu de pieds autoportants, pour bâti-support Geberit Duofix (111.849.00.2) :

  • Pour hauteur de chape de 0–20 cm
  • Pour une utilisation avec des bâti-supports Geberit Duofix pour un meilleur transfert des forces dans le sol
  • Pieds réglables en continu
  • Pieds en métal, protégés contre la corrosion
  • Pieds larges autoportants, convient pour tout type de cloisons.

.

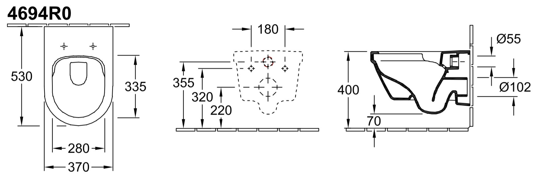
Villeroy & Boch Architectura Cuvette à fond creux DirectFlush (5684FR01)

  • Cuvette suspendue sans bride en porcelaine sanitaire  pour une hygiène parfaite et un entretien optimal, rinçage parfait, sans éclaboussures
  • Rinçage haute performance 3/6 litres
  • Ex Targa Architectura, DirectFlush
  • En porcelaine sanitaire
  • DirectFlush
  • Composé de : Cuvette à fond creux DirectFlush, Abattant à charnières QuickRelease (déclipsable) et SoftClosing (frein de chute)
  • Volume de chasse : 3 / 6 l
  • Sortie horizontale
  • Poids: 21 kg
  • Forme Ovale
  • Conforme à la certification NF en matière de sécurité et de qualité 

Geberit Plaque de déclenchement DELTA01 (115.107.11.1) : 

  • Delta dispose de 2 touches, l'une pour une petite chasse de 3L et l'autre pour une grande chasse de 6L
  • Economies en eau
  • Déclenchement frontal

.

Attention ! Il est impératif de vérifier les produits à réception. Une éventuelle avarie doit être constatée devant le livreur et indiquée précisément pour chaque produit sur le bon de livraison. Aucune réclamation ne pourra être acceptée a posteriori, les transporteurs étant très stricts à ce sujet. Nous vous remercions pour votre compréhension.

Ecrire un commentaire
Avis *
Les champs marqués d'un astérisque (*) sont obligatoires.
Avis clients
François B.
15/04/2025

Envoi en temps et heure correct

Manuel N.
14/04/2025

Bon article livraison rapide

Philippe G.
17/03/2025

Impeccable, deux achats réalisés avec contact service client et résolution rapide de petits problèmes.

Philippe H.
04/02/2025

Fournisseur fiable et délai court Le SAV est réactif et compétent je recommande sans hésiter

4.5/5