Quantité
Total
Dont d' éco-part. DEEE
Il y a 0 produits dans votre panier. Il y a 1 produit dans votre panier.
Total produits
Frais de port  À définir
Total
Continuer mes achats Commander
Vos produits 0 produit

Total

Sous-total de la commande
0
00
Livraison
0
00
Total
0
00
Dont d' éco-part. DEEE
Nouveau

Swiss Aqua Technologies Pack WC Bâti-support Duplo one + Cuvette sans bride + Abattant slim SoftClose + Plaque noire (DUPLOONEGAP-3)

  • Référence du produit: DUPLOONEGAP-3
  • EAN: 8592127213712
  • Marque: Manufacturer 59
  • Série: Duplo One
Garantie du produit: 5 ans
459
90
TTC
994
18
Prix public conseillé
Le prix public conseillé (PPC) est un prix de revente conseillé par un fabricant à ses distributeurs.
Lorsqu’il s’agit d’un pack multi-marques, c’est alors la somme des PPC de ses composants.
( 53.74% d'économie)
Plus que 8 En stock
Expédié aujourd'hui
Dont 0.30 d' éco-part. DEEE
Quantité:

Caractéristiques du Pack WC Bâti-support Roca Duplo one + Cuvette sans bride + Abattant slim SoftClose + Plaque noire (DUPLOONEGAP-3) :

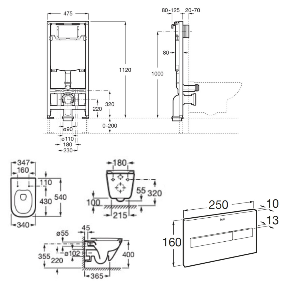
  • Roca Duplo One Bati-Support mural 112 cm (A890070020)
  • Roca Cuvette WC suspendue en porcelaine sans bride Rimless (A34647L000)
  • Roca Abattant The Gap SQUARE double Slim avec frein de chute - softclose, en Urea déclipsable, blanc (A801472003)
  • Roca PL7 ONE - Plaque de commande avec double chasse NOIR (A890188206)

Duplo One Bati-Support mural 112 cm (A890070020) :

  • Dimensions: 475 x 107 x 1120 mm (Longueur x Largeur x Hauteur)
  • Type: DUPLO WC ONE - Cadre encastré compact avec chasse d'eau double, adapté pour WC suspendu.
  • Profondeur minimale: 107 mm, conçu pour des WC avec des entraxes de fixation de 180 et 230 mm.
  • Connexion: DN100 (110 mm), DN90 (90 mm) pour des options d'installation flexibles.
  • Capacité de charge: Cadre métallique avec une capacité de charge de 400 kg.
  • Pieds réglables: 0-200 mm avec mécanisme de freinage.
  • Connexion d'eau: Sur le dessus pour un accès facile.
  • Profondeur du réservoir: 80 mm, avec une profondeur de fixation minimale de 107 mm.
  • Plage de pression: 0,1 - 10 Bar, adaptée à différentes conditions d'installation.
  • Type de chasse: Double chasse, avec options pour 2/4 litres, 3/4,5 litres et standard 3/6 litres, pour économiser l'eau et l'efficacité.
  • Plaque de commande: Positionnée à l'avant, compatible avec les plaques de commande Roca (non incluses).

L'installation du bâti encastré Roca DUPLO WC ONE est remarquablement facile, avec un design pré-assemblé et un kit complet pour le réglage et le verrouillage. Cela signifie que tout ce dont vous avez besoin pour une installation rapide et sans problème est inclus dans le paquet.

WC suspendue en porcelaine sans bride Rimless ROCA (A34647L000) : 

  • De la marque: ROCA
  • Cuvette suspendue sans bride.
  • Matière de la cuvette : porcelaine vitrifiée. 
  • La cuvette est de forme carrée.
  • Le système d'évacuation est une chasse d'eau directe.
  • Type d'évacuation: horizontal
  • La cuvette est facile à agencer, quel que soit le style ou la taille de la salle de bains.

Abattant The Gap SQUARE double Slim avec frein de chute - softclose, en Urea déclipsable, blanc (A801472003) : 

  • Double slim frein de chute (fermeture amortie)
  • Matériau : Urea, avec fonction de démontage rapide
  • Matériau des charnières: acier inoxydable

Plaque Roca de déclenchement Plaque de commande avec double chasse NOIR (A890188206) :

  • Couleur : Noir
  • Compatibilité : Roca Duplo One A890070020
  • Matériel : Matériau synthétique hautement résistant
  • Installation : Sans utilisation d'outils
  • Fonction : Double bouton pour économie d'eau

Attention ! Il est impératif de vérifier les produits à réception.

Une éventuelle avarie doit être constatée devant le livreur et indiquée précisément pour chaque produit sur le bon de livraison. Aucune réclamation ne pourra être acceptée a posteriori, les transporteurs étant très stricts à ce sujet. Nous vous remercions pour votre compréhension.

Caractéristiques techniques du produit
  • Coloris:Blanc
  • Matière:Céramique
  • Type de produit:Pack WC
  • Longueur:112
  • Largeur:107
  • Hauteur:112
  • Poids (kg):35
  • Nouveautés:Nouveau
  • Abattant:SOFT CLOSE
  • Cuvette:SANS BRIDE
  • Couleur Plaque:NOIR
  • Type de bâti:CLASSIQUE
  • Marque cuvette:Roca
  • Marque bâti:Roca
  • Fixation invisible:oui
  • PMCB unique identifier idu:FR043823_04FWQW
  • Nombre de composants:1
  • Abattant déclipsable:Oui
Ecrire un commentaire
Avis *
Les champs marqués d'un astérisque (*) sont obligatoires.
459
90
TTC
994
18
Prix public conseillé
Le prix public conseillé (PPC) est un prix de revente conseillé par un fabricant à ses distributeurs.
Lorsqu’il s’agit d’un pack multi-marques, c’est alors la somme des PPC de ses composants.

(53.74% d'économie)
Dont 0.30 d' éco-part. DEEE
Plus que 8 En stock
Expédié aujourd'hui
Quantité:
Paiement sécurisé
Avis clients
François B.
15/04/2025

Envoi en temps et heure correct

Manuel N.
14/04/2025

Bon article livraison rapide

Philippe G.
17/03/2025

Impeccable, deux achats réalisés avec contact service client et résolution rapide de petits problèmes.

Philippe H.
04/02/2025

Fournisseur fiable et délai court Le SAV est réactif et compétent je recommande sans hésiter

4.5/5