Quantité
Total
Dont d' éco-part. DEEE
Il y a 0 produits dans votre panier. Il y a 1 produit dans votre panier.
Total produits
Frais de port  À définir
Total
Continuer mes achats Commander
Vos produits 0 produit

Total

Sous-total de la commande
0
00
Livraison
0
00
Total
0
00
Dont d' éco-part. DEEE
Nouveau

Grohe Pack WC Bâti-support autoportant Rapid SL + Cuvette sans bride Cersanit + Abattant SoftClose + Plaque chromé mat (PROMILLE5SP)

  • Référence du produit: PROMILLE5SP
  • EAN: 8592127216898
  • Marque: Manufacturer 6
  • Série: Rapid SL
Garantie du produit: 5 ans
429
90
TTC
771
50
Prix public conseillé
Le prix public conseillé (PPC) est un prix de revente conseillé par un fabricant à ses distributeurs.
Lorsqu’il s’agit d’un pack multi-marques, c’est alors la somme des PPC de ses composants.
( 44.28% d'économie)
11 En stock
Expédié demain
Dont 0.30 d' éco-part. DEEE
Quantité:

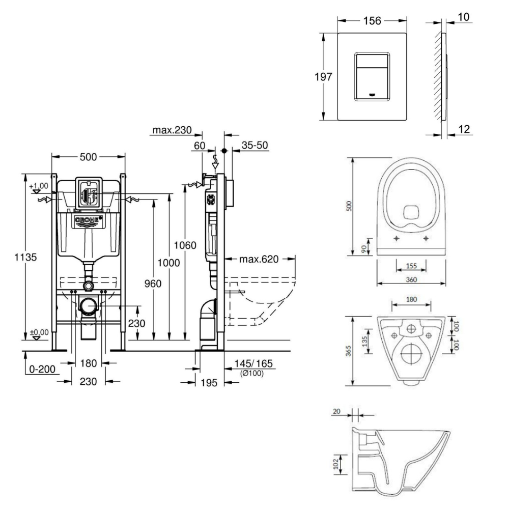
Caractéristiques du pack WC Bâti-support autoportant Grohe Rapid SL + Cuvette sans bride Cersanit + Abattant SoftClose + Plaque chromé mat (PROMILLE5SP) :

  • Grohe RAPID SL Project bâti support autoportant (G39145000)
  • Cersanit Mille Cuvette suspendue sans bride avec abattant softclose, Blanc (S701-454-ECO)
  • Grohe Skate Cosmopolitan Plaque de commande WC, Chromé mat (38732P00)

RAPID SL Project bâti support autoportant (G39145000) :

  • Réservoir et mécanisme pneumatique Certifié NF
  • Réservoir GD 2, 6-9 L
  • Comprend les supports muraux 3855800M pour une installation murale
  • Pour le montage des petites plaques de commande, commandez séparément le gabarit 40 911 000
  • Assemblage facile en connectant le capillaire pneumatique à la plaque de commande
  • Réglage en hauteur rapide avec prédétermination automatique de la hauteur de montage souhaitée
  • Fixation murale avec réglage rapide en profondeur; ajustement de profondeur par l'avant
  • Support mural orientable sur 360 degrés pour éviter les joints
  • Pieds avec points de fixation polyvalents et pratiques, pour montage sur rail, sur profil en U de 50 ou 75 mm
  • Points de fixation pour accessoires ; montage des éléments sans ancrage au sol
  • Points de fixation pour montage des éléments dans des supports muraux en bois
  • Coude DN 80 avec réduction DN 80/100
  • Fixation du coude de vidage sans outil
  • Collier de vidage avec réglage de la profondeur à 2 niveaux

Le système Rapid SL permet un montage rapide et propre grâce ses éléments d'installation spécialement conçus. On retrouve les instructions de pose des plaques sur le gabarit. 

Cersanit Mille Cuvette suspendue sans bride avec abattant softclose, Blanc (S701-454-ECO) :

  • Matière: céramique 
  • Sans bride 
  • Volume de chasse: 3/5L
  • coloris: Blanc
  • Dimensions: 36cmx36cmx50cm
  • Abattant soft close avec frein de chute 
  • Abattant déclipsable

Skate Cosmopolitan Plaque de commande WC, Chromé mat (38732P00) :

  • Double touche ou interrompable
  • Pour mécanisme pneumatique AV1
  • Montage horizontal ou vertical
  • 156 x 197 mm
  • En ABS
  • GROHE StarLight® brillance durable
  • GROHE EcoJoy® économie d’eau

Attention ! Il est impératif de vérifier les produits à réception. Une éventuelle avarie doit être constatée devant le livreur et indiquée précisément pour chaque produit sur le bon de livraison. Aucune réclamation ne pourra être acceptée a posteriori, les transporteurs étant très stricts à ce sujet. Nous vous remercions pour votre compréhension.

Caractéristiques techniques du produit
  • Coloris:Blanc
  • Matière:Céramique
  • Longueur:36
  • Largeur:36
  • Hauteur:50
  • Poids (kg):35
  • Nouveautés:Nouveau
  • Abattant:SOFT CLOSE
  • Cuvette:SANS BRIDE
  • Couleur Plaque:CHROME MAT
  • Type de bâti:AUTOPORTANT
  • Marque cuvette:Cersanit
  • Marque bâti:Grohe
  • PMCB unique identifier idu:FR043823_04FWQW
  • Nombre de composants:1
Ecrire un commentaire
Avis *
Les champs marqués d'un astérisque (*) sont obligatoires.
429
90
TTC
771
50
Prix public conseillé
Le prix public conseillé (PPC) est un prix de revente conseillé par un fabricant à ses distributeurs.
Lorsqu’il s’agit d’un pack multi-marques, c’est alors la somme des PPC de ses composants.

(44.28% d'économie)
Dont 0.30 d' éco-part. DEEE
11 En stock
Expédié demain
Quantité:
Paiement sécurisé
Avis clients
François B.
15/04/2025

Envoi en temps et heure correct

Manuel N.
14/04/2025

Bon article livraison rapide

Philippe G.
17/03/2025

Impeccable, deux achats réalisés avec contact service client et résolution rapide de petits problèmes.

Philippe H.
04/02/2025

Fournisseur fiable et délai court Le SAV est réactif et compétent je recommande sans hésiter

4.5/5