Quantité
Total
Dont d' éco-part. DEEE
Il y a 0 produits dans votre panier. Il y a 1 produit dans votre panier.
Total produits
Frais de port  À définir
Total
Continuer mes achats Commander
Vos produits 0 produit

Total

Sous-total de la commande
0
00
Livraison
0
00
Total
0
00
Dont d' éco-part. DEEE
Nouveau

Pack WC Bâti-support Geberit 112 cm + Cuvette sans bride Cersanit + Abattant SoftClose + Plaque blanche (MODUOGEB1)

  • Référence du produit: MODUOGEB1
  • EAN: 8592127216928
  • Marque: Manufacturer 5 40
  • Série: Duofix
Garantie du produit: 2 ans
399
90
TTC
553
95
Prix public conseillé
Le prix public conseillé (PPC) est un prix de revente conseillé par un fabricant à ses distributeurs.
Lorsqu’il s’agit d’un pack multi-marques, c’est alors la somme des PPC de ses composants.
( 27.81% d'économie)
Plus que 3 En stock
Expédié avant le 9 mars
Dont 0.30 d' éco-part. DEEE
Quantité:

Caractéristiques du pack WC Bâti-support Geberit 112 cm + Cuvette sans bride Cersanit + Abattant SoftClose + Plaque blanche (MODUOGEB1) :

  • Geberit Ensemble bâti-support Duofix UP100 + réservoir pour WC 112 cm (458.103.00.1)
  • Cersanit Moduo cuvette suspendue sans bride avec abattant SoftClose, Blanc (K701-147-ECO)
  • Geberit Plaque de commande Delta01, Blanc (115.107.11.1)
  • Redi Manchon de raccordement Ø 90/100 MM pour Rapid SL ou Geberit (VS0564190)

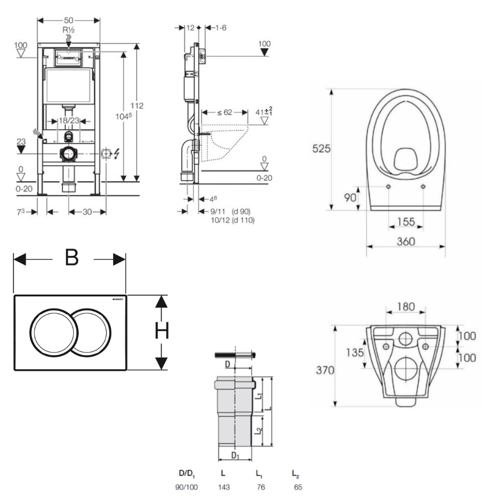
Ensemble bâti-support Duofix UP100 + réservoir pour WC  112 cm (458.103.00.1) :

Préconisations de mise en oeuvre 

Ces bâti-supports pour WC suspendus sont dédiés aux types d'installation suivants :

  • Contre un mur porteur (voile béton, carreaux de plâtre, béton cellulaire, briques, parpaings) et sur une dalle béton en utilisant les fixations fournies.
  • Dans une cloison à ossature métallique constituée de rails renforcés (KNAUF, PLACO, …) à hauteur de la pièce ou avec des rails et montants Geberit système Duofix à hauteur partielle ou de la pièce (selon préconisations fabricant).

Ces bâti-supports pour WC suspendus ne peuvent être installés contre des cloisons en plaques de plâtre à âme alvéolaire en carton, contre des cloisons en plaques de plâtre sur ossature métallique ou contre des cloisons de séparation double peau en plaques de plâtre sur ossature métallique sans accessoirisation additionnelle (substitution des pieds fournis par des pieds autoportants) ou l'ajout de renforts complémentaires (à intégrer au préalable dans la cloison au niveau des fixations hautes).

Ces bâti-supports pour WC montés suspendus peuvent être installés sur des planchers en bois s'ils sont posés contre un mur porteur (voir description précédente) et leurs pieds sur une solive ou lambourde à l'aide des tirefonds fournis.

Caractéristiques

  • Réservoir à encastrer Geberit Delta 12 cm (UP100) avec commande par l’avant
  • réservoir encastré isolé contre la condensation
  • volume de la grande chasse d’eau réglable
  • volume de la petite chasse d’eau fixe
  • réglage de chasse immédiate possible
  • arrivée de l’eau par l’arrière / par le haut au centre
  • tuyau de raccordement au robinet équerre à visser à la main
  • 1 volume de chasse d’eau avec la plaque de déclenchement Geberit Delta15
  • 2 volumes de chasse d’eau avec les plaques de déclenchement Geberit Delta20, Delta 21 et Delta 50
  • surface du cadre traitée avec une peinture en poudre, couleur Geberit bleu
  • cadre avec orifices de ø 9 mm pour fixation dans des constructions en bois
  • pieds supports galvanisés réglables en continu de 0 à 20 cm
  • profondeur des plaques de pied en plastique adaptée à un montage sur rail UW50
  • profondeur d’installation 12 cm

Informations techniques

  • volume de la chasse - réglage en usine : 6 et 3,5 l
  • grand volume de chasse - étendue du réglage : 4,5 / 6 / 7,5 l

Contenu de la livraison

  • 2 tiges filetées M12 pour fixation de la cuvette en céramique
  • soupape de décharge pour 2 volumes de chasse
  • boîtier de réservation pour trappe de visite, en mousse de polystyrène
  • 2 bouchons de protection
  • robinet équerre R 1/2" avec anneau adaptateur
  • fourreau isolant pour l’arrivée d’eau pour Geberit AquaClean
  • fixation du coude de chasse
  • kit de raccordement ø 90 mm
  • coude de chasse pour WC, PE-HD, ø 90/90 mm
  • réduction, Ø 90/110 mm
  • matériel de fixation
  • kit pour montage en applique

Cersanit Moduo cuvette suspendue sans bride avec abattant SoftClose, Blanc (K701-147-ECO) :

  • Matière: céramique 
  • Sans bride 
  • Volume de chasse: 3/5L
  • Coloris: Blanc
  • Dimensions: 36cmx36cmx52.5cm
  • Abattant soft close avec frein de chute 
  • Abattant déclipsable

Plaque de commande Delta01, Blanc (115.107.11.1) :

  • Dispositif double touche
  • Coloris : Blanc alpin

Attention ! Il est impératif de vérifier les produits à réception. Une éventuelle avarie doit être constatée devant le livreur et indiquée précisément pour chaque produit sur le bon de livraison. Aucune réclamation ne pourra être acceptée a posteriori, les transporteurs étant très stricts à ce sujet. Nous vous remercions pour votre compréhension.

Caractéristiques techniques du produit
  • Coloris:Blanc
  • Matière:Céramique
  • Type de produit:Pack WC
  • Longueur:112
  • Largeur:36
  • Hauteur:52.5
  • Poids (kg):35
  • Nouveautés:Nouveau
  • Abattant:SOFT CLOSE
  • Cuvette:SANS BRIDE
  • Couleur Plaque:BLANC
  • Type de bâti:CLASSIQUE
  • Marque cuvette:Cersanit
  • Marque bâti:Geberit
  • PMCB unique identifier idu:FR043823_04FWQW
  • Nombre de composants:1
  • Abattant déclipsable:Oui
Ecrire un commentaire
Avis *
Les champs marqués d'un astérisque (*) sont obligatoires.
Documentations sur le produit
399
90
TTC
553
95
Prix public conseillé
Le prix public conseillé (PPC) est un prix de revente conseillé par un fabricant à ses distributeurs.
Lorsqu’il s’agit d’un pack multi-marques, c’est alors la somme des PPC de ses composants.

(27.81% d'économie)
Dont 0.30 d' éco-part. DEEE
Plus que 3 En stock
Expédié avant le 9 mars
Quantité:
Paiement sécurisé
Avis clients
François B.
15/04/2025

Envoi en temps et heure correct

Manuel N.
14/04/2025

Bon article livraison rapide

Philippe G.
17/03/2025

Impeccable, deux achats réalisés avec contact service client et résolution rapide de petits problèmes.

Philippe H.
04/02/2025

Fournisseur fiable et délai court Le SAV est réactif et compétent je recommande sans hésiter

4.5/5